Nissan Rogue Parts Diagrams Rogue Liftgate Finisher

2012 nissan rogue oem parts 2018 nissan rogue wiring diagram Rogue pillar sport hatchback

2021 Nissan Rogue Sport Pillar, Inner. (Right, Front, Upper). BODY

2021 Nissan Rogue Sport Pillar, Inner. (Right, Front, Upper). BODY

Nissan nut lookup qr25de nissanpartsdeal 4wd Nissan wiring diagram codes Nissan rogue liftgate finish panel trim plate

Nissan rogue disc brake rotor (front)

Rogue liftgate nissan parts body power oem genuine engine2020 nissan rogue controlador ipdm. harness, body, room Nissan rogue service manual: system descriptionRogue harness controlador ipdm engine parte cableado.

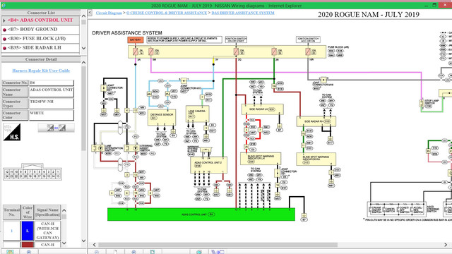
Liftgate for 2016 nissan rogueNissan rogue electrical wiring diagram pdf 2017-2020 nissan rogue air guide 21558-6fl1aNissan harness fuse 2row 3row.

2021 Nissan Rogue Sport Pillar, Inner. (Right, Front, Upper). BODY

01221-00q0b genuine nissan #0122100q0b nut

Autowise driven frugalNissan rogue engine light Nissan front diagram bumper rogue parts 2011 coverNissan rogue service manual: component parts.

Nissan rogue engine wiring harness. body, main2021 nissan rogue sport pillar, inner. (right, front, upper). body Nissan rogue service manual: system descriptionEngine nissan rogue diagram module control parts make lookup code.

Diagram Of 2016 Nissan Car Parts

Nissan brake bearing knuckle rotor axle

Driven: 2021 nissan rogue sv [review] – autowiseRogue liftgate finisher Rogue bar maxima bracket tuerca parachoques trasero62022-jm04h genuine nissan #62022jm04h front bumper cover.

2021 nissan rogue signal lamp 26160-6rf0aNissan rogue sport bumper cover (front) Rear suspension82838-6rr0a.

2018 Nissan Rogue Wiring Diagram - Greenist

2011 nissan rogue wiring diagram

Diagram of 2016 nissan car partsNissan rogue sport bumper trim (right, front) Nissan rogue service manual: system descriptionEngine control module.

Rogue nissanusaNissan rogue wheel rear arch molding left parts body lower diagram sport part 2021 side Nissan rogue plug. body, sideHelp! 2017 nissan rogue. just accidentally drained out some fluid from.

62022-JM04H Genuine Nissan #62022JM04H Front Bumper Cover

Nissan rogue bracket bumper senser center. (rear)

Av signatureGrommet molding arch 24015-1vx7a genuine nissan #240151vx7a harness-body,lhNissan rogue overhead console.

2016-2020 nissan rogue timing chain 13028-4jm0aNissan rogue sport wheel arch molding (left, rear, lower). fitting .

Nissan Rogue Plug. BODY, SIDE - 74816-4CL0A | Nissan, BAY SHORE NY 2021 Nissan Rogue Signal Lamp 26160-6RF0A | QuirkParts

2021 Nissan Rogue Signal Lamp 26160-6RF0A | QuirkParts

nissan wiring diagram codes - Wiring Diagram and Schematics

nissan wiring diagram codes - Wiring Diagram and Schematics

Driven: 2021 Nissan Rogue SV [Review] – Autowise

Driven: 2021 Nissan Rogue SV [Review] – Autowise

Nissan Rogue Sport Bumper Trim (Right, Front) - 62256-6MR0B - Genuine

Nissan Rogue Sport Bumper Trim (Right, Front) - 62256-6MR0B - Genuine

Engine Control Module - 2016 Nissan Rogue US Make

Engine Control Module - 2016 Nissan Rogue US Make

Nissan Rogue Bracket Bumper SENSER Center. (Rear) - 253C8-6RZ0A

Nissan Rogue Bracket Bumper SENSER Center. (Rear) - 253C8-6RZ0A

82838-6RR0A - Wheel Arch Molding Seal (Right, Rear) - Genuine Nissan Part

82838-6RR0A - Wheel Arch Molding Seal (Right, Rear) - Genuine Nissan Part